This website requires JavaScript.
Explore
Help
Sign In
launchcore
/
LA32R
Watch
1
Star
0
Fork
0
You've already forked LA32R
Code
Issues
Pull Requests
Actions
Packages
Projects
Releases
Wiki
Activity
Files
4bc6285c414cba921843af02e0ebb1b0cee45f74
LA32R
/
Reference
/
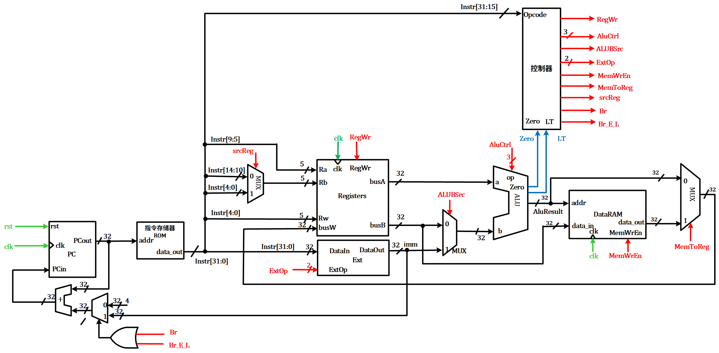
支持5种类型共计14条指令的单周期LA32R CPU逻辑电路图.png
Launchcore
07c0b18e4c
Initial commit
2025-06-17 00:35:40 +08:00
99 KiB
2374x1167px
Raw
History
Reference in New Issue
View Git Blame
Copy Permalink